Power transfer system
Number of patents in Portfolio can not be more than 2000
United States of America Patent
Stats
-
Jan 23, 2018
Issued Date -
N/A
app pub date -
Apr 11, 2014
filing date -
Nov 14, 2011
priority date (Note) -
In Force
status (Latency Note)
![]() |
A preliminary load of PAIR data current through [] has been loaded. Any more recent PAIR data will be loaded within twenty-four hours. |
PAIR data current through []
A preliminary load of cached data will be loaded soon.
Any more recent PAIR data will be loaded within twenty-four hours.
![]() |
Next PAIR Update Scheduled on [ ] |

Importance
|
US Family Size
|
Non-US Coverage
|
|
Patent Longevity
|
Forward Citations
|
Abstract
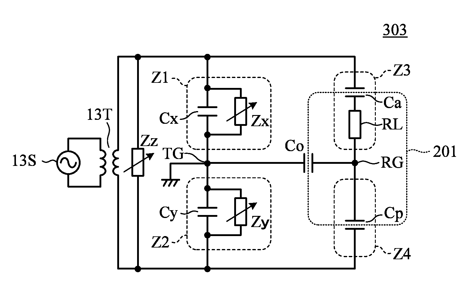
A capacitance (Cp) is a capacitance formed between a transmitting-device-side passive electrode and a receiving-device-side passive electrode. A capacitance (Ca) is a capacitance formed between a transmitting-device-side active electrode and a receiving-device-side active electrode. A bridge circuit formed by Z1 to Z4 is connected to a secondary side of a step-up transformer, where Z1 represents an impedance of a first element, Z2 represents an impedance of a second element, Z3 represents an impedance of a series circuit formed by the capacitance (Ca) and a load, and Z4 represents an impedance of the capacitance (Cp). By determining the impedances Z1 to Z4 such that this bridge circuit is balanced, a potential at a receiving-device-side reference potential point is made equal to a ground potential. This reduces variation in receiving-device-side reference potential, reduces noise, and stabilizes the operation of a load circuit on the receiving device side.
First Claim
Family
- 15 United States
- 10 France
- 8 Japan
- 7 China
- 5 Korea
- 2 Other
Patent Owner(s)
| Patent Owner | Address | |
|---|---|---|
| MURATA MANUFACTURING CO LTD | 1-10-1 HIGASHIKOTARI NAGAOKAKYO-SHI KYOTO 617-8555 |
International Classification(s)
Inventor(s)
| Inventor Name | Address | # of filed Patents | Total Citations |
|---|---|---|---|
| Bondar, Henri | Kyoto, JP | 21 | 229 |
| Goma, Shinji | Nagaokakyo, JP | 25 | 243 |
| Ichikawa, Keiichi | Nagaokakyo, JP | 67 | 489 |
| Suesada, Tsuyoshi | Nagaokakyo, JP | 36 | 948 |
Cited Art Landscape
- No Cited Art to Display

Patent Citation Ranking
Forward Cite Landscape
- No Forward Cites to Display

Maintenance Fees
| Fee | Large entity fee | small entity fee | micro entity fee | due date |
|---|---|---|---|---|
| 7.5 Year Payment | $3600.00 | $1800.00 | $900.00 | Jul 23, 2025 |
| 11.5 Year Payment | $7400.00 | $3700.00 | $1850.00 | Jul 23, 2029 |
| Fee | Large entity fee | small entity fee | micro entity fee |
|---|---|---|---|
| Surcharge - 7.5 year - Late payment within 6 months | $160.00 | $80.00 | $40.00 |
| Surcharge - 11.5 year - Late payment within 6 months | $160.00 | $80.00 | $40.00 |
| Surcharge after expiration - Late payment is unavoidable | $700.00 | $350.00 | $175.00 |
| Surcharge after expiration - Late payment is unintentional | $1,640.00 | $820.00 | $410.00 |
Legal Events
Matter Detail
Update Public Data
Dismiss
Edit
Save
Renewals Detail
Edit
Save
Note
The template below is formatted to ensure compatibility with our system.
Provide tags with | separated like (tags1|tags2).
Maximum length is 128 characters for Customer Application No
Mandatory Fields * - 'MatterType','AppType','Country','Title','SerialNo'.
Acceptable Date Format - 'MM/DD/YYYY'.
Acceptable Filing/App Types -
- Continuation/Divisional
- Original
- Paris Convention
- PCT National
- With Priority
- EP Validation
- Provisional Conversion
- Reissue
- Provisional
- Foreign Extension
Acceptable Status -
- Pending
- Abandoned
- Unfiled
- Expired
- Granted
Acceptable Matter Types -
- Patent
- Utility Model
- Supplemental Protection Certificate
- Design
- Inventor Certificate
- Plant
- Statutory Invention Reg
Advertisement
Advertisement
Advertisement
Recipient Email Address
Recipient Email Address
Comment
Recipient Email Address
Success
E-mail has been sent successfully.
Failure
Some error occured while sending email. Please check e-mail and try again!
PAIR load has been initiated
A preliminary load of cached data will be loaded soon. Current PAIR data will be loaded within twenty four hours.
File History PDF
Thank you for your purchase! The File Wrapper for Patent Number 9876362 will be available within the next 24 hours.
Add to Portfolio(s)
To add this patent to one, or more, of your portfolios, simply click the add button.
This Patent is in these Portfolios:
Add to additional portfolios:
Last Refreshed On:
Changes done successfully
Important Notes on Latency of Status data
Please note there is up to 60 days of latency in this Status indicator for certain status conditions. You can obtain up-to-date Status indicator readings by ordering PAIR for the file.
An application with the status "Published" (which means it is pending) may be recently abandoned, but not yet updated to reflect its abandoned status. However, an application filed less than one year ago is unlikely to be abandoned.
A patent with the status "Granted" may be recently expired, but not yet updated to reflect its expired status. However, it is highly unlikely a patent less than 3.5 years old would be expired.
An application with the status "Abandoned" is almost always current, but there is a small chance it was recently revived and the status not yet updated.
Important Note on Priority Date data
This priority date is an estimated earliest priority date and is purely an estimation. This date should not be taken as legal conclusion. No representations are made as to the accuracy of the date listed. Please consult a legal professional before relying on this date.
We are sorry but your current selection exceeds the maximum number of portfolios (0) for this membership level. Upgrade to our Level for up to -1 portfolios!.

