Image processing apparatus having a digital image processing section including enhancement of edges in an image
Number of patents in Portfolio can not be more than 2000
United States of America Patent
Stats
- 
		
		
			
		Feb 10, 2009
		
			
			
Grant Date - 
		
		
			
		Feb 17, 2005
	
		
		
app pub date - 
		
		
			
		Sep 23, 2004
		
	
		
		
filing date - 
	
	 
		
	Oct 27, 1999
	
	
		
		
priority date (Note) - 
		
		Expired
		
			
			
status (Latency Note) 
![]()  | 
						
							 A preliminary load of PAIR data current through [] has been loaded. Any more recent PAIR data will be loaded within twenty-four hours.  | 
					
PAIR data current through []
A preliminary load of cached data will be loaded soon.
Any more recent PAIR data will be loaded within twenty-four hours.
![]()  | 
						
							 Next PAIR Update Scheduled on [ ]  | 
					

Importance
		| 
                US Family Size
                
                 | 
            
                
                Non-US Coverage
                 | 
        
                Patent Longevity
					 
  | 
            
                Forward Citations
                 | 
        
Abstract
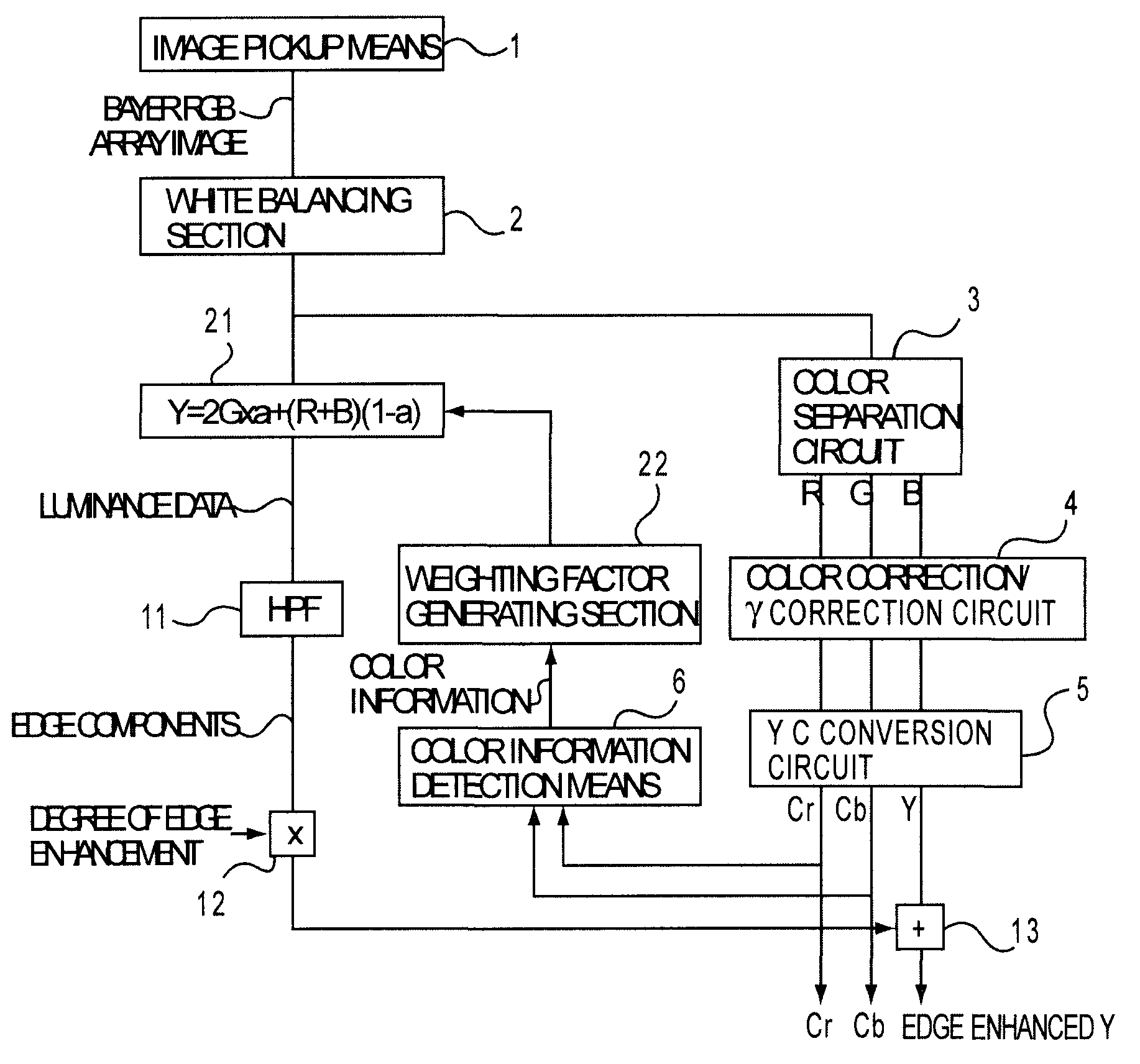
An image processing apparatus includes: an image pickup section for converting an object light into image signals of Bayer RGB array; a color information detecting section for obtaining color information of the object from the image signals obtained by the image pickup section; a first luminance data generating section for finding luminance data for use in edge enhancement processing based on G signals of the image signals obtained by the image pickup section; a second luminance data generating section for finding luminance data for use in edge enhancement processing based on all color signals of the image signals; a selector for providing an output by switching between outputs of the first and second luminance data generating section; and a selection signal generating section for generating selection signal for controlling the switching of the selector based on color information obtained at the color information detecting section. The image processing apparatus is thereby achieved as capable of edge enhancement processing at favorable S/N and with less occurrence of edge noise in high saturation regions and low saturation regions.
				
			First Claim
						
					
Family
						- 15 United States
 - 10 France
 - 8 Japan
 - 7 China
 - 5 Korea
 - 2 Other
 
Patent Owner(s)
| Patent Owner | Address | |
|---|---|---|
| OLYMPUS OPTICAL CO LTD | TOKYO | 
International Classification(s)
Inventor(s)
| Inventor Name | Address | # of filed Patents | Total Citations | 
|---|---|---|---|
| Kohashi, Atsushi | Hachioji, JP | 23 | 240 | 
| Sakurai, Junzo | Koganei, JP | 25 | 407 | 
Cited Art Landscape
- No Cited Art to Display
 

Patent Citation Ranking
Forward Cite Landscape
- No Forward Cites to Display
 

Maintenance Fees
| Fee | Large entity fee | small entity fee | micro entity fee | due date | 
|---|
| Fee | Large entity fee | small entity fee | micro entity fee | 
|---|---|---|---|
| Surcharge after expiration - Late payment is unavoidable | $700.00 | $350.00 | $175.00 | 
| Surcharge after expiration - Late payment is unintentional | $1,640.00 | $820.00 | $410.00 | 
Full Text
							Legal Events
							Matter Detail
						
						Update Public Data
						Dismiss
						Edit
						Save
						Renewals Detail
						Edit
						Save
						Note
The template below is formatted to ensure compatibility with our system.
							Provide tags with | separated like (tags1|tags2).
							Maximum length is 128 characters for Customer Application No 
							
Mandatory Fields * - 'MatterType','AppType','Country','Title','SerialNo'.
Acceptable Date Format - 'MM/DD/YYYY'.
Acceptable Filing/App Types -
- Continuation/Divisional
 - Original
 - Paris Convention
 - PCT National
 - With Priority
 - EP Validation
 - Provisional Conversion
 - Reissue
 - Provisional
 - Foreign Extension
 
Acceptable Status -
- Pending
 - Abandoned
 - Unfiled
 - Expired
 - Granted
 
Acceptable Matter Types -
- Patent
 - Utility Model
 - Supplemental Protection Certificate
 - Design
 - Inventor Certificate
 - Plant
 - Statutory Invention Reg
 
Advertisement
Advertisement
Advertisement
		Recipient Email Address
Recipient Email Address
Comment
Recipient Email Address
Success
E-mail has been sent successfully.
Failure
Some error occured while sending email. Please check e-mail and try again!
PAIR load has been initiated
A preliminary load of cached data will be loaded soon. Current PAIR data will be loaded within twenty four hours.
File History PDF
Thank you for your purchase! The File Wrapper for Patent Number 7489349 will be available within the next 24 hours.
Add to Portfolio(s)
To add this patent to one, or more, of your portfolios, simply click the add button.
This Patent is in these Portfolios:
Add to additional portfolios:
			Last Refreshed On:
Changes done successfully
Important Notes on Latency of Status data
Please note there is up to 60 days of latency in this Status indicator for certain status conditions. You can obtain up-to-date Status indicator readings by ordering PAIR for the file.
An application with the status "Published" (which means it is pending) may be recently abandoned, but not yet updated to reflect its abandoned status. However, an application filed less than one year ago is unlikely to be abandoned.
A patent with the status "Granted" may be recently expired, but not yet updated to reflect its expired status. However, it is highly unlikely a patent less than 3.5 years old would be expired.
An application with the status "Abandoned" is almost always current, but there is a small chance it was recently revived and the status not yet updated.
Important Note on Priority Date data
This priority date is an estimated earliest priority date and is purely an estimation. This date should not be taken as legal conclusion. No representations are made as to the accuracy of the date listed. Please consult a legal professional before relying on this date.
We are sorry but your current selection exceeds the maximum number of portfolios (0) for this membership level. Upgrade to our Level for up to -1 portfolios!.

